Dubbio concettuale: Generatori "Disaccoppiati"
Ciao a tutti, sto preparando l'esame finale e continuo a bloccarmi sulle semplificazioni topologiche dei circuiti.
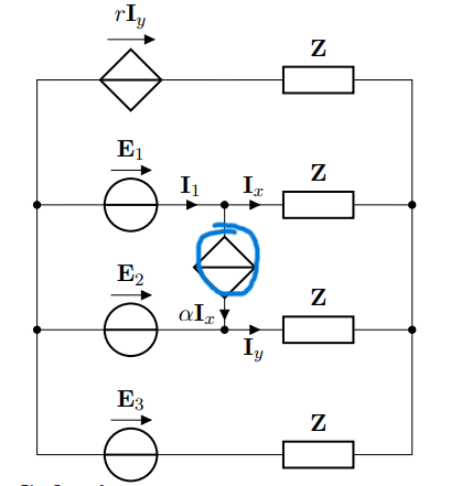
Il problema specifico (vedi immagine): In questo esercizio ho un Generatore di Corrente Pilotato (nel cerchio blu). Il mio prof dice che questo generatore è "disaccoppiato" e procede a risolvere il resto della rete (usando Millman) ignorandolo completamente nei calcoli delle tensioni. Capisco la matematica che c'è dietro, ma a livello intuitivo mi verrebbe sempre da dire che iniettare corrente in quel punto dovrebbe cambiare qualcosa nel resto della rete.
La mia confusione generale: Faccio sempre fatica a capire al volo quando posso applicare il Disaccoppiamento (cioè ignorare il ramo). Spesso confondo le situazioni: non capisco quando posso semplicemente cancellare/ignorare un componente.
La mia domanda: Avete dei "trucchi mentali" o una checklist per individuare all'istante quando un componente può essere ignorato in sicurezza? Come distinguete velocemente una situazione che richiede lo Sdoppiamento da una che è semplicemente Disaccoppiata? E soprattutto: PERCHÉÉÉ in questo caso specifico posso ignorare quel componente?
Grazie mille per l'aiuto!
Il problema specifico (vedi immagine): In questo esercizio ho un Generatore di Corrente Pilotato (nel cerchio blu). Il mio prof dice che questo generatore è "disaccoppiato" e procede a risolvere il resto della rete (usando Millman) ignorandolo completamente nei calcoli delle tensioni. Capisco la matematica che c'è dietro, ma a livello intuitivo mi verrebbe sempre da dire che iniettare corrente in quel punto dovrebbe cambiare qualcosa nel resto della rete.
La mia confusione generale: Faccio sempre fatica a capire al volo quando posso applicare il Disaccoppiamento (cioè ignorare il ramo). Spesso confondo le situazioni: non capisco quando posso semplicemente cancellare/ignorare un componente.
La mia domanda: Avete dei "trucchi mentali" o una checklist per individuare all'istante quando un componente può essere ignorato in sicurezza? Come distinguete velocemente una situazione che richiede lo Sdoppiamento da una che è semplicemente Disaccoppiata? E soprattutto: PERCHÉÉÉ in questo caso specifico posso ignorare quel componente?
Grazie mille per l'aiuto!
